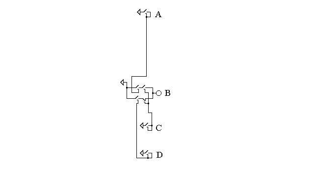
Mask Circuitry

Mask Circuitry

In the circuit above, if loop C has value 0, then light B gets the value in loop D. If loop C has value 1, then light B gets the value in loop A.


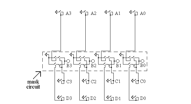
Mask Four Bits

Mask Four Bits

In the left circuit above, C3 controls whether the value of A3 or the value of D3 goes to B3. The other circuits behave similarly.


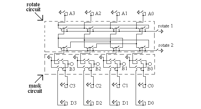
Rotate and Mask

Rotate and Mask

In the circuit above, there is a 'rotate circuit' and a 'mask circuit.'

As an example of the operation of this circuit, consider the case of 'rotate 1' being pressed, 'rotate 2' not pressed, C3 = 1, C2 = 1, C1 = 0, and C0 = 0. Then B3 gets A2, B2 gets A1, B1 gets D1, and B0 gets D0. Try to follow the signals in the circuit and see why.

This will be the logic unit of our simple processor. (The logic units of most processors do arithmetic too and so are called arithmetic logic units or, abbreviating, ALU's.)


Page 19

Page 18 . . . Page 1 . . . Page 20