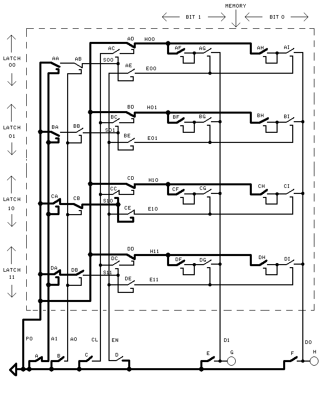
Where Power Reaches in a Memory

Where Power Reaches in a Memory

The bold wires in the above diagram, show which wires are powered.

A wire is powered only if it is connected to the top of the battery (represented by a triangle in the lower left corner of the diagram, as shown below).

power

power

Notice the new symbol used for keys AC and AE. Keys AC and AE are normally open keys. However, they are closed now because their electromagnets are powered. Therefore, they are represented as:

closed, normally open key

closed, normally open key

instead of as:

open, normally open key

open, normally open key

Electricity can flow from left to right (or right to left) through a closed key even if it's a closed but normally open key.

Similarly, an open, normally closed key is represented as:

open, normally closed key

open, normally closed key

instead of as:

closed, normally closed key

closed, normally closed key

Notice that, in the diagram of memory, all of the loops (AF, AH, BF, BH, CF, CH, DF, and DH) have value 0 because all of those normally open keys are open.

AF is 'bit 1' of 'latch 00' and has value 0. AH is bit 0 of latch 00 and also has value 0.

You should follow the power from the top of the battery (the triangle in the lower left of the diagram of memory above) and see why certain wires are bold and the rest are normal. Remember, electricity can't go through open keys. Electricity also does not travel between crossing wires. Crossing wires are not touching (not connected). You should also understand why some electromagnets are powered and others aren't, and how powering the electromagnet of a key closes a normally open key and, in later diagrams, opens a normally closed key.


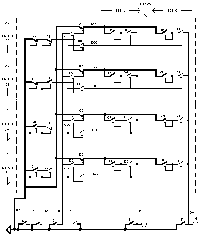
Now, suppose we want to store value 01 in latch 10. This means we want to keep key CF open for value 0 and close key CH for value 1. This is called 'writing' value 01 to address 10.

To do this, you first select latch 10 by pressing key A and not pressing key B. This selects latch 10 as indicated by the bold select 10 wire, 'S10,' in the diagram below. Key A controls address wire 1, labeled A1 in the diagram, and key B controls address wire 0, labeled A0 in the diagram. Both address wires, A1 and A0, together, are called the address bus. A group of similar wires are, together, called a 'bus.' Pressing key A and not pressing key B results in power going through the circuit as indicated by bold lines in the diagram below. Notice that horizontal wire S10 has power (is bold) while S00, S01, and S11 do not have power. This selects latch 10.

Selecting the Address

Selecting the Address


Page 9

Page 8 . . . Page 1 . . . Page 10